021-65677328

上海曼基实业有限公司 上海曼基实业有限公司 上海曼基实业有限公司
上海曼基实业有限公司 上海曼基实业有限公司 上海曼基实业有限公司
上海曼基实业有限公司
上海曼基实业有限公司

LZYZ-B2-MJ02-升降柱

广泛应用于学校,政府机关,军队,监狱,金融中心,电厂,水厂,景区,高档小区,公共场所等城市化重要场所。

立即咨询
首页 产品中心 实体防护设备 防暴升降式阻车路障 B2 LZYZ-B2-MJ02-升降柱

产品介绍

Product Introduction

基础特性

 

● 产品名称: 防暴升降式阻车路障

● 产品型号: LZYZ-B2-MJ02  

● 阻挡等级: B2

● 驱动方式: 外置液压站分体驱动

● 应急释放: 手动机械升起或落下   (手动泵)

● 升降速度: ≥175mm/s

● 警示标识: ① 钻石级DG3反光膜 

                         ② 高亮警示灯带 

                         ③ 高分贝警示蜂鸣器

 

 

 

 

 

 

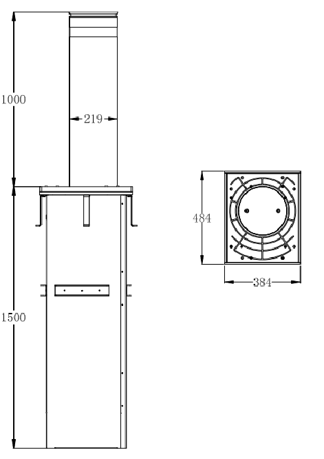
阻车柱体参数

 

● 柱体直径: Φ219mm ± 1.5 mm

● 柱体材质: 304不锈钢 + 碳钢管 

● 柱体壁厚: 5mm(不锈钢)30mm(碳钢管)

● 柱体拦截高度: 1000mm±5mm

● 柱体表面工艺: ① 不锈钢:抛光拉丝

                                 ② 碳钢管:热镀锌

 

 

 

 

 

 

预埋部件参数

 

● 预埋深度 1500mm

● 材质工艺 镀锌+喷塑,独立结构

● 排水方式 底部排水(推荐)+侧部排水

 

 

 

 

 

特性参数

 

Ø 符合国家及上海市地方标准碰撞等级:B2。

Ø 外置液压站分体驱动,设备升降平稳。

Ø 高安防反恐实体防护装备,抗撞击阻挡性能优越。

Ø 高频使用,安全可靠,昼夜可视度高。

Ø 安装和操作简单。

Ø 高兼容性和可扩展性。

Ø 不锈钢304防锈防腐结构。

Ø 设计美观,采用不锈钢304防锈、防腐高目数拉丝抛光处理,完美融合于城市建筑。

Ø 机械式应急突发处理,安全可靠,同时满足应急升降。

Ø 广泛应用于军队,监狱,灾备中心,金库、数据中心,电厂、水厂等郊区反恐类重要场所。

 

 

 

 

 

 

上一个产品:

下一个产品:

热门案例推荐

Recommended Popular Cases